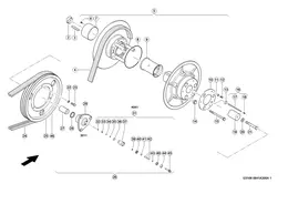
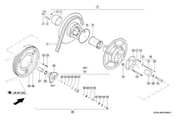
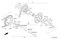
0002358430 Кольцо Стопорное
Актуальную цену на 22 октября 2025 уточняйте у менеджера по телефону.
или заказать в один клик
Консультация специалиста
Характеристики и описание
| Название | 0002358430 Кольцо Стопорное |
| Бренд | OEM |
| Страна | Евросоюз |
| Артикул | 235843 |
| Номер по каталогу | 0002358430 |
| Категория | Запчасти CLAAS |
Ссылки на схемы
Доставка по России
Вы можете выбрать удобный для Вас способ доставки или получить товар на нашем складе:





Оплата
Оплатить заказ Вы можете по ранее выставленному счету или уточнить у менеджера альтернативные варианты оплаты