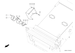
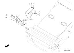
0005346680 Держатель
Актуальную цену на 23 октября 2025 уточняйте у менеджера по телефону.
или заказать в один клик
Консультация специалиста
Характеристики и описание
| Название | 0005346680 Держатель |
| Бренд | OEM |
| Страна | Евросоюз |
| Артикул | 534668 |
| Номер по каталогу | 0005346680 |
| Категория | Запчасти CLAAS |
Ссылки на схемы
Доставка по России
Вы можете выбрать удобный для Вас способ доставки или получить товар на нашем складе:





Оплата
Оплатить заказ Вы можете по ранее выставленному счету или уточнить у менеджера альтернативные варианты оплаты